| 产品标题:G522A-06手控阀,stnc手控阀,二位五通手控阀 产品ID:VIB20120522105037734 品 牌:STNC索诺天工 所在地:中国 上海 价 格:面议 (大量采购价格面议) 库存状态:货期待查 更新日期:2025-4-24 3:27:44 咨询电话:(+86)021-51699285 咨询Q Q: 2695337323 |
G522A-06,G522A-06R


特性
产品设计合理,结构紧凑,外型美观,具有操作力小,使用简单等特点。广泛用于气动
设备的人控设备中。
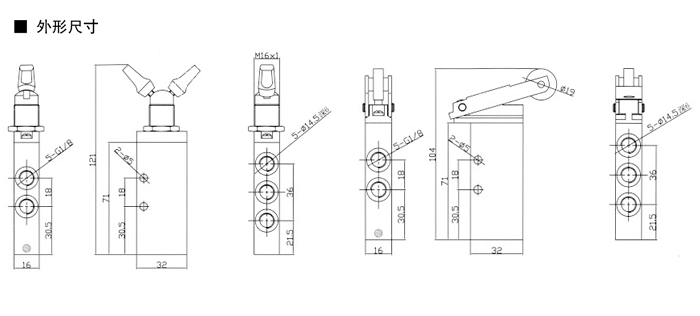
■技术参数
|
规格、项目 |
功能 |
接口管径 |
通径(mm) |
工作介质 |
使用压力范围 |
动作方式 |
润滑 |
介质温度 |
|
G322A-06 |
二位三通 |
G1/8 |
6 |
压缩空气 惰性气体 |
0~1.0MPa |
手板式 |
不需要 |
-5~60℃ |
|
G322A-06R |
G1/8 |
6 |
滚轮式 | |||||
|
G522A-06 |
二位五通 |
G1/8 |
6 |
手板式 | ||||
|
G522A-06R |
G1/8 |
6 |
滚轮式 |
